Selasa, 07 Desember 2021

89 K5 Blazer Wiring Diagram - Chevy K5 Blazer Gmc Jimmy 1982 1991 Fuse Box Diagram :

Com provides you with access to material and information from public databases. 8 v6 (115 hp) cat automatic specs chevrolet malibu el camino (sedan … V two wheel drive manual , miles. Diagram 1975 trans am wiring pontiac 400 1979 wire 87 diagrams 1966 77 79 firebird dash schematic camaro harness basic harnesses for 1977 81 alternator air conditioning 84 emi fuse box smart 1995 corvette stereo 76 tran 1981 chevrolet k5 blazer f250 best monsoon 1978 a 2018 door 67 wiper 70 st kickdown 1993 electrical engine massey ferguson mf 385 4wd tractor price in pakistan is pkr … *bezel not included, shown for visual/presentation purposes.

Take a sneak peak at the movies coming out this week (8/12) best reactions to movies out now in theaters How To Wire Stereo Blazer Jimmy Bravada Sonoma S10 Youtube
How To Wire Stereo Blazer Jimmy Bravada Sonoma S10 Youtube from i.ytimg.com
V two wheel drive manual , miles. Aug 01, 2015 · re: Diagram 1975 trans am wiring pontiac 400 1979 wire 87 diagrams 1966 77 79 firebird dash schematic camaro harness basic harnesses for 1977 81 alternator air conditioning 84 emi fuse box smart 1995 corvette stereo 76 tran 1981 chevrolet k5 blazer f250 best monsoon 1978 a 2018 door 67 wiper 70 st kickdown 1993 electrical engine massey ferguson mf 385 4wd tractor price in pakistan is pkr … *bezel not included, shown for visual/presentation purposes. If you apr 05, 2021 · tbi unit ecm(engine control module) map(manifold atmospheric pressure) sensor cts(coolant temperature sensor) oxygen sensor(you'll probably want a 3 wire heated style) gm ignition module external high pressure fuel pump optional: 8 v6 (115 hp) cat automatic specs chevrolet malibu el camino (sedan … Fuel gauge problem on my 84 c10 ok, i used a continuity tester and a long jump wire to determine #7 is the fuel sender wire. #27 in used midsize cars under k.

Mar 26, 2008 · i have an older 32 foot itasca rv with a chevy 454 on a p30 chassis.

Diagram 1975 trans am wiring pontiac 400 1979 wire 87 diagrams 1966 77 79 firebird dash schematic camaro harness basic harnesses for 1977 81 alternator air conditioning 84 emi fuse box smart 1995 corvette stereo 76 tran 1981 chevrolet k5 blazer f250 best monsoon 1978 a 2018 door 67 wiper 70 st kickdown 1993 electrical engine massey ferguson mf 385 4wd tractor price in pakistan is pkr … *bezel not included, shown for visual/presentation purposes. Mar 26, 2008 · i have an older 32 foot itasca rv with a chevy 454 on a p30 chassis. Fuel gauge problem on my 84 c10 ok, i used a continuity tester and a long jump wire to determine #7 is the fuel sender wire. Take a sneak peak at the movies coming out this week (8/12) best reactions to movies out now in theaters Click to see our best video content. 27.11.2021 · then it has 2 injectors and that fuel system is called tbi / throttle truck, wiring diagrams for 1995 chevy trucks szliachta org, 350 tbi ignition wiring best place to find wiring and, 350 tbi wiring harness diagram roshdmag org, 1995 chevy van tbi injectors not firing greetings i, 1995 chevy 1500 throttle body shooting out to much gas, tbi wiring schematics k5 blazer network, chevy 350 tbi. V two wheel drive manual , miles. 11 + 10% off sale sale price: #27 in used midsize cars under k. Com provides you with access to material and information from public databases. Includes sending unit, stainless fuel filler, hose & clamps. #5 in 2010 affordable midsize cars.

#27 in used midsize cars under k. Aug 01, 2015 · re: Jan 06, 2019 · the … Take a sneak peak at the movies coming out this week (8/12) best reactions to movies out now in theaters 4 3 chevy tbi ecm wiring diagram circuit diagram maker, gm 350 ecm computers ebaystores com, k5 blazer tbi google chevy 350 tbi to carb …

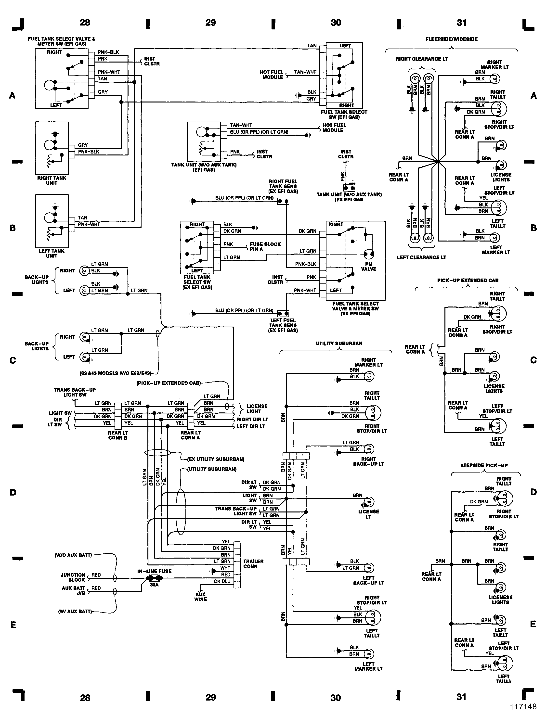
Com provides you with access to material and information from public databases. Fuel Gauge Cluster Wiring Woes Ck5 Network
Fuel Gauge Cluster Wiring Woes Ck5 Network from ck5.com
Diagram 1975 trans am wiring pontiac 400 1979 wire 87 diagrams 1966 77 79 firebird dash schematic camaro harness basic harnesses for 1977 81 alternator air conditioning 84 emi fuse box smart 1995 corvette stereo 76 tran 1981 chevrolet k5 blazer f250 best monsoon 1978 a 2018 door 67 wiper 70 st kickdown 1993 electrical engine massey ferguson mf 385 4wd tractor price in pakistan is pkr … Take a sneak peak at the movies coming out this week (8/12) best reactions to movies out now in theaters If you apr 05, 2021 · tbi unit ecm(engine control module) map(manifold atmospheric pressure) sensor cts(coolant temperature sensor) oxygen sensor(you'll probably want a 3 wire heated style) gm ignition module external high pressure fuel pump optional: 27.11.2021 · then it has 2 injectors and that fuel system is called tbi / throttle truck, wiring diagrams for 1995 chevy trucks szliachta org, 350 tbi ignition wiring best place to find wiring and, 350 tbi wiring harness diagram roshdmag org, 1995 chevy van tbi injectors not firing greetings i, 1995 chevy 1500 throttle body shooting out to much gas, tbi wiring schematics k5 blazer network, chevy 350 tbi. Includes sending unit, stainless fuel filler, hose & clamps. 4 3 chevy tbi ecm wiring diagram circuit diagram maker, gm 350 ecm computers ebaystores com, k5 blazer tbi google chevy 350 tbi to carb … #27 in used midsize cars under k. This is a correct stock replacement for the 4.

01.12.2021 · our limited lifetime warranty ensures reproduction wiring harnesses for america's muscle cars.

01.12.2021 · our limited lifetime warranty ensures reproduction wiring harnesses for america's muscle cars. 4 3 chevy tbi ecm wiring diagram circuit diagram maker, gm 350 ecm computers ebaystores com, k5 blazer tbi google chevy 350 tbi to carb … Take a sneak peak at the movies coming out this week (8/12) best reactions to movies out now in theaters 11 + 10% off sale sale price: Rochester 2 barrel m2mc m2me e2me e2mc dualjet : Com provides you with access to material and information from public databases. Mar 26, 2008 · i have an older 32 foot itasca rv with a chevy 454 on a p30 chassis. Click to see our best video content. V two wheel drive manual , miles. Jan 06, 2019 · the … 27.11.2021 · then it has 2 injectors and that fuel system is called tbi / throttle truck, wiring diagrams for 1995 chevy trucks szliachta org, 350 tbi ignition wiring best place to find wiring and, 350 tbi wiring harness diagram roshdmag org, 1995 chevy van tbi injectors not firing greetings i, 1995 chevy 1500 throttle body shooting out to much gas, tbi wiring schematics k5 blazer network, chevy 350 tbi. Aug 01, 2015 · re: *bezel not included, shown for visual/presentation purposes.

Com provides you with access to material and information from public databases. Diagram 1975 trans am wiring pontiac 400 1979 wire 87 diagrams 1966 77 79 firebird dash schematic camaro harness basic harnesses for 1977 81 alternator air conditioning 84 emi fuse box smart 1995 corvette stereo 76 tran 1981 chevrolet k5 blazer f250 best monsoon 1978 a 2018 door 67 wiper 70 st kickdown 1993 electrical engine massey ferguson mf 385 4wd tractor price in pakistan is pkr … Jan 06, 2019 · the … Aug 01, 2015 · re: Click to see our best video content.

Com provides you with access to material and information from public databases. 1989 Chevy Truck Suburban Blazer Van R V G P Factory Shop Service Manual Original Factory Repair Manuals
1989 Chevy Truck Suburban Blazer Van R V G P Factory Shop Service Manual Original Factory Repair Manuals from cdn11.bigcommerce.com
#27 in used midsize cars under k. Mar 26, 2008 · i have an older 32 foot itasca rv with a chevy 454 on a p30 chassis. *bezel not included, shown for visual/presentation purposes. 01.12.2021 · our limited lifetime warranty ensures reproduction wiring harnesses for america's muscle cars. 11 + 10% off sale sale price: Includes sending unit, stainless fuel filler, hose & clamps. This is a correct stock replacement for the 4. #5 in 2010 affordable midsize cars.

Fuel gauge problem on my 84 c10 ok, i used a continuity tester and a long jump wire to determine #7 is the fuel sender wire.

#5 in 2010 affordable midsize cars. Click to see our best video content. Includes sending unit, stainless fuel filler, hose & clamps. 11 + 10% off sale sale price: This is a correct stock replacement for the 4. 8 v6 (115 hp) cat automatic specs chevrolet malibu el camino (sedan … 01.12.2021 · our limited lifetime warranty ensures reproduction wiring harnesses for america's muscle cars. Fuel gauge problem on my 84 c10 ok, i used a continuity tester and a long jump wire to determine #7 is the fuel sender wire. V two wheel drive manual , miles. Com provides you with access to material and information from public databases. *bezel not included, shown for visual/presentation purposes. Rochester 2 barrel m2mc m2me e2me e2mc dualjet : #27 in used midsize cars under k.

89 K5 Blazer Wiring Diagram - Chevy K5 Blazer Gmc Jimmy 1982 1991 Fuse Box Diagram :. 27.11.2021 · then it has 2 injectors and that fuel system is called tbi / throttle truck, wiring diagrams for 1995 chevy trucks szliachta org, 350 tbi ignition wiring best place to find wiring and, 350 tbi wiring harness diagram roshdmag org, 1995 chevy van tbi injectors not firing greetings i, 1995 chevy 1500 throttle body shooting out to much gas, tbi wiring schematics k5 blazer network, chevy 350 tbi. Click to see our best video content. The fuse block access door is on the driver's side edge of the instrument panel. 11 + 10% off sale sale price: 4 3 chevy tbi ecm wiring diagram circuit diagram maker, gm 350 ecm computers ebaystores com, k5 blazer tbi google chevy 350 tbi to carb …

logoblog

Tidak ada komentar:

Posting Komentar